BANTRAK uses Digitrax Digital Command Control (DCC) on our NTRAK layout. See DCC introductory info here
We utilize a novel method of accommodating both DCC and traditional DC operators using a series of junction boxes.
We like to share our experience and help other modelers and clubs with our knowledge. You'll find a number of articles here about how we've tamed DCC for use with our layouts.
BANTRAK electrical system setup for shows: [diagram]

Diagram for a BANTRAK Setup [diagram]
Click to download a clearer copy of the drawing
Construction of the DC/DCC switchbox has been broken down into three parts.
Enclosure Instructions
Wiring instructions
Remote and audible DCC short indication
All credit for this optocoupler circuit goes to Al Silvertstein.
*BEFORE PROCEEDING, BE ADVISED THAT THESE MODIFICATIONS WILL VOID THE WARRANTY OF YOUR DIGITRAX PM42.*
Materials list for this section, instructions follow.
(1) 6 inch x 15 inch stackable box from Bed, Bath,& Beyond
(3) Halex Two piece clamp connectors P/N 26510 Home Depot electrical section
(11) #6 x 1 inch machine screws
(9) #6 flat washers
(9) #6 lock washers
(12) #4 x 3/8 inch Sheet metal screws
(4) # 6 x 3/4 inch flat head sheet metal screws
12 inches 1/2 x 3/4 inch rectangular wood stock
18 inches 3/4 x 3/4 square wood stock
(2) pieces-6 inch wide x 15 inch long 1/4in.luann plywood (cut to fit)
6 inches 1/2inch aluminum channel
Yellow carpenter's glue

A wood stackable box was chosen because at $8 - $9 it was the most cost effective enclosure available. Some modification is necessary. Since this is a hobby, labor is free. A similar size project box or home made will work as well.
Prepare the box:
1. Remove the male lip around the perimeter of the box. Shown in photo marked in black. A table saw makes quick work of this.
2. Cut a piece of luann plywood to fit in the recess area. This piece will be the back cover when complete.
Note: before gluing, rough up the finish on the box at gluing areas to get a good bond. A small fillet bead of Gorilla glue was added after all blocks were installed.
3. Beef up the four corners by gluing a 1/2 x 3/4 block in each corner. 1/2 inch dimension should be on the marrow end of the box to allow clearance for PM42 and wiring.
4. Cut and glue (2) 3/4 square rails to inside of box and two 3/4 inch square vertical stops. See drawing. These will be the mounting area for PM42. The vertical stops should make a friction fit between the PM42 with its 40 pin connector attached and the top of the box. Loconet plugs should fit in the access hole. Chamfer the vertical blocks to make disassembly easier.

5. The "bottom" of the box will be the front of the switchbox. Bottom panel is made of a pressboard material. We decided to beef this panel up by fitting and gluing a piece of luann plywood over the existing panel. After this step was done, a scrap piece of black Formica became available. We decided to cover the luann plywood with Formica. If starting again, the luann plywood would be omitted with the laminate only glued to the original pressboard. Your choice of plastic or metal could be substituted as well.
6. Before attaching any laminate face, drilling and cutting holes in the wood box should be completed. Mount the PM42 temporarily to mark location of loconet jacks. See drawing. Note that the holes in the wood face for led's are a too large 1/2 inch. The led holes are drilled oversize in the wood to allow led bezels to be installed easily though smaller holes in the laminate face. This step will make final assembly easier. Final cutting of holes in the laminate face can be done using the holes in the wood box as guides.
7. Attach aluminum channel to back cover with (3) #4 x 3/8 flat head screws from inside of cover. Cut screws flush with inside of channel to allow fit over skyboard.
8. Locate and drill one hole in each corner through cover into the corner blocks. Cover will be held with (4) #6 x 3/4 inch flathead screws.
9. Drill (3) 1/2 inch diam. cable outlet holes in bottom of box. Prepare the Halex cable clamps by drilling a clearance hole in center of the bottom flange. Hole is drilled in the half that has female threads so that the supplied screws can be tightened from the rear of the switchbox. Locate the prepared clamps with non moveable half at edge of 1/2 inch output hole in box. Drill mounting hole in box and attach clamps with 1 inch #6 x 32 screws, nuts, lock washers.


10. Paint box now if desired. Black matches the rear of BANTRAK's skyboards.
11. After attaching the laminate front panel, open 4 rectangular holes for 2 x 3 powerpole blocks.

Finish with a file to be a snug fit. Drill holes for powerpole mounting brackets and attach with (8) #6 x 1 inch machine screws, nuts, flat, and lock washers.
12. Locate and drill 1 inch hole for piezo buzzer. A Forstner bit was used for this hole.

13. Locate the centers of the (6) 1/2 inch led holes and drill a 1/16 inch pilot hole through laminate from below. Drill appropriate size holes for led bezels using 1/16 inch pilot holes as a guide.
NOTE: The green PM42 power T1 size led is smaller hole.
Box is now ready for electrical assembly.
Switchbox electrical assembly:
Materials:
(4) Cinch Jones female surface mount sockets
(8) pair Powerpole connectors OR (4)pairs male/female Cinch-Jones sockets for track outputs. (Choice will depend on type of plug needed to connect to modules)
(22) pairs Powerpole connectors for panel and DCC supply cable (One housing will be left over)
(8) powerpole mounting brackets
(20) feet 12 ga. zip cable Red/black or equivalent
(1) Digitrax PM42 and edge socket
(4) feet stranded 16 ga red wire
(4) feet stranded 16 ga black wire
(11) #6 x 1 inch machine screws and nuts
(9) #6 flat washers
(9) #6 lock washers
(12) #4 x 3/8 inch Sheet metal screws
For all connections:
RAIL A is considered Outside rail/ribbed or red.
Rail B is considered inside rail/smooth or black.
Insulate all uncovered connections with shrink tube or electrical tape!
1. Solder 4 inches 12 ga. wire to four panel mount Cinch-Jones sockets. Red to wide pin, black to narrow pin. Instructions for easily soldering large wire to cinch-jones connectors are here:
2. Install (4) Cinch-Jones sockets in side of box using (8) #4 x 3/8 sheet metal screws.

3. Cut wires to to reach powerpole block and attach (8) powerpole contacts. Press contacts into powerpole housings closest to Cinch sockets observing RED/front Rail A; BLACK/rear Rail B color code.

4. Using 16 gauge wire, assemble booster input and track output connections on PM42 edge connector per instructions included with PM42. Component side of connector will face the rear of the switchbox. Track output wires should be long enough to attach to each powerpole block. Connect section 1 to red line, section 2 to yellow, section 3 to blue, section 4 to green. Inputs wires can be just a few inches and will be soldered to a 12 gauge input cable. See step 7.
Tip: For connecting wire to PM42 edge connector, use HO rail joiners.
5. Solder 12 inches of # 18 gauge zip cable to PM42 +/- terminals. Use the ribbed side of cable for + terminal.
6. Solder 4 feet of 12 gauge green wire to PM42 ground terminal. Note: A short piece of smaller wire can be used between the terminal and the 12 gauge wire.
7. Strip and attach (4) Rail A and (4) Rail B inputs to a four foot length of 12 gauge zip cable. Observe color code Front-RailA- ribbed- Red. Rear-RailB-smooth-black. To make this easier, we used a short piece of 1/4 inch copper tubing to hold the wires together while soldering with a large wattage iron. Insulate connection with shrink tube or electrical tape.
8. Mount PM42 and wired edge connector in box with component side up. Use (4) #4 x 3/8 sheet metal screws through predrilled mounting holes on PM42 into 3/4inch square rails.

9. Run 4 foot input cable and 4 foot ground wire through one hole in bottom of box. Tighten strain relief clamp for these wires.
10. Attach Powerpole contacts to ends of each of the two input wires and the ground wire. Assemble Powerpole housings in 1 x 3 stacked configuration. Insert 3 wires with contacts intil Powerpole housings. Red/outside rail A, Black/inside railB. Ground attaches to the center powerpole housing. Mark the 1 x 3 plug with purple tape as this is a DCC power bus wire. We used the stacked track input configuration for this connection to avoid any confusion with the side by side white wire connection. Refer to NTRAK Powerpole RP .
11. Mount 2mm plug in side of box. Solder +/pos. PM42 power wire to center pin, solder -neg. PM42 wire to outside of plug.

12. Cut PM42 output wires to length, attach Powerpole contacts and install into 4 Powerpole sockets on box. PM42 output wires should be installed in the outermost housings opposite the already wired DC connections.

13. Cut (4) 4 foot lengths of 12 gauge zip cable and install Powerpole contacts on one end of each cable. Mark each cable with appropriate track color and insert contacts in center pair of Power pole plugs. Run two cables through each of the remaining holes in the bottom of the box and tighten strain relief. Install appropriate connectors on the end of each cable in a Y configuration. These will be the track feed cables. Follow NTRAK color coding.

Four track supply and DCC input cables installed.

Track supply cables configured in stacked configuration. DCC input cable has 3 stacked housings with ground (green wire) in center.
14. Make up (4) 2 x 2 Powerpole blocks to be used as keys (jumpers). Connect short pieces of 12 gauge wire between red and black Powerpoles. A tether using a 12 inch fishing leader was attached to the keys and the switchbox to keep them with the box.

15. Install back cover. Make up an appropriate cable from booster to connect to 1 x 3 Powerpole input cable. Test switch box in all positions before continuing.
16. After successful testing, it is time to install Remote and audible DCC short indication. Remote power indicators will also be installed. This will immediately VOID the warranty on your PM42. Continue only after you are assured that the switchbox is functioning.
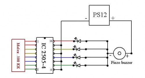
All credit for this optocoupler circuit goes to Al Silvertstein.
Al has also posted schematics in the Files section of the
YAHOO/Digitrax
group.
*BEFORE
PROCEEDING, BE ADVISED THAT THESE MODIFICATIONS WILL VOID THE
WARRANTY OF YOUR DIGITRAX PM42.*
Materials:
(1) 12 volt piezo buzzer Mouser p/n 256-PB022
(4) T 1 3/4 (5mm) Red led's Mouser p/n 512-HLMP3300
(1) T 1 (3mm) Green led Mouser p/n 606-4300FSLC
(1) T 1 3/4 (5mm) Bicolor led Mouser p/n 78-TLUV5300
(5) T 1 3/4 (5mm) led bezels Mouser p/n 696-SSH-LH5090
(1) T 1 (3mm) led bezel Mouser p/n 696-SSH-LXH301
(1) AC Quad Optocoupler Mouser p/n 551-PS2505-4-A
(1) 16 pin IC socket Mouser p/n 575-199-316
(1) 8 pin Molex .100KK socket Mouser p/n 538-22-01-3087
(2) 2 pin Molex .100KK socket Mouser p/n 538-22-01-3027
(12) Molex .100KK crimp terminals Mouser p/n 538-08-50-0114
(1) IC circuit board Mouser p/n 575-913164
(3) feet each of yellow/ blue/ green 22 gauge wire.
(6) feet each of red/ black 22 gauge wire.
(2) #4 x 3/8 sheet metal screws.


1. Solder two wires approx 4 inches long to green T1 (3mm) led. Crimp a Molex terminal to other ends of wires and insert in Two pin Molex socket. Install led and bezel in PM42 power indicator hole of switchbox.
2. Install T 1 3/4 (5mm) bicolor led in DCC power indicator hole of switchbox.
3. Crimp Molex terminals to ends of one red and one black wire tapped into DCC input cable. These are the two small gauge wires left from wiring instructions. Insert terminals in two pin Molex socket. Plug socket onto leads of bicolor led and route wires around the PM42.

4. Solder the IC socket to circuit board noting notch in socket for locating pin 1 of IC.
5. Cut two pieces 9 inches long of each red/yellow/blue/green wire
Solder two red wires to pins 1 and 2
Solder two yellow wires to pins 3 and 4
Solder two blue wires to pins 5 and 6
Solder two green wires to pins 7 and 8
6. Solder one black wire to pin 9 and jump to pins 11, 13, 15. Connect the other end of this black wire to the -neg. terminal of the 2mm PM42 power plug.
7. Cut 9 inches each red/yellow/blue/green wire.
Solder one red wire to pin 16
Solder one yellow wire to pin 14
Solder one blue wire to pin 12
Solder one green wire to pin 10
Connect each color wire to cathode pin of the corresponding 5mm led.
8. Mount circuit board in switchbox using 2 screws. See Photo
9. Remove PM42 from switchbox. After 4 mounting screws are removed, lift edge connector above vertical blocks. PM42 can now be removed from the connector.
10. Install (4) 5mm leds with bezels in four holes under PM42. A little hot glue can be used if a more secure mounting is needed. Red wire in top hole, yellow wire in second hole, blue in third hole, green in bottom hole.
11. Install piezo buzzer in 1 inch hole at top of switchbox. We used a a couple of short screws and some hot melt glue around the perimeter.
.
12. Connect black wire from piezo buzzer to each anode pin on led's. Jumping to each led.
13. Connect red wire from piezo buzzer to the center +pos pin on the 2mm PM42 power plug.
14. This is where we VOID the warranty on the PM42.

Cut the (4) red short indicators leds off at the led base. Use a pair of track cutters with the flat side against the led to leave the leads attached to the PM42 board as long as possible. These 8 pins will plug into the Molex socket. Cut the green PM42 LED off at its base leaving the pins as long as possible.
15. Reinstall the PM42 in switchbox.
16. Connect 8 pin Molex socket to the 8 pins on PM42. End of socket with red wires goes toward the loconet jacks. The spacing is correct for this socket, we had to bend all 8 pins upward to get the socket on.
17. Connect the 2 pin Molex plug (from green led) to the two pins that were once the green power indicator.
18. Plug a PS12 power supply into the 2mm jack on side of switchbox. Green power indicator should light. If not, simply remove the two pin Molex socket and turn it around. Green light should now light.
19. Connect DCC booster to switchbox. Test the remote indicators and audible buzzer by shorting each of the DCC output plugs on the switchbox. Each should light and match the track color of the output being shorted.
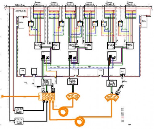
Our DCC setup uses these switchboxes to determine the power source for each of the N-TRAK mainlines. Users can easily change a complete line in just a few seconds.

Switchbox is hung on skyboard
One box for each DC block

Cinch sockets on left side to connect up to four DC throttles.
Throttles stay plugged in at all times.
Four DC/DCC selector jacks on front.
One for each of four lines in a block.
Jumper key is moved to the « left position for DC operation.
Key is moved to the right » for DCC operation."

In this photo, RED and
Yellow lines are set to the left for DC while the BLUE and
GREEN lines are set to the right for DCC.

In this photo the RED and
Yellow lines are set to the right for DCC.
Blue and
Green are set to the left for DC.

12 Volt input power connection for DCC circuit breaker (PM42).
Power should stay connected at all times.

Photo shows the PM42 DCC circuit breaker power indicator light at upper left.
The single GREEN light should be lit at all times during operation.
The four
RED led's will flash only when a short circuit has occurred.
Only the led for the shorted track will flash. In addition an audible buzzer will sound to indicate a short.
Light and buzzer will stop when short circuit is cleared.

Dual RJ11 jacks are located on the top.
These need only be connected to program the circuit breaker.
Throttles WILL NOT function when plugged into these jacks.